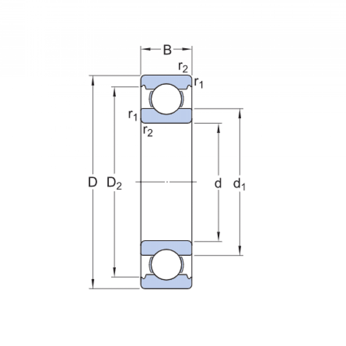
Ložisko 6316 - FAG

Rozmer: 80x170x39 Značka: FAG
Externý sklad na dopyt
+
-
ks