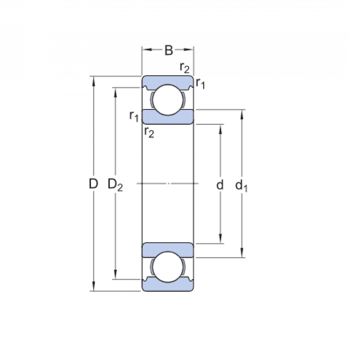
Ložisko 6316 - ZKL

Rozmer: 80x170x39 Značka: ZKL
Externý sklad na dopyt
+
-
ks