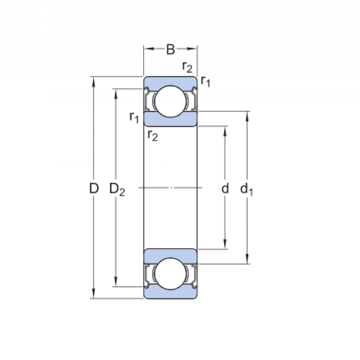
Ložisko 6317 2Z C3 - FAG

Rozmer: 85x180x41 Značka: FAG
Externý sklad na dopyt
+
-
ks