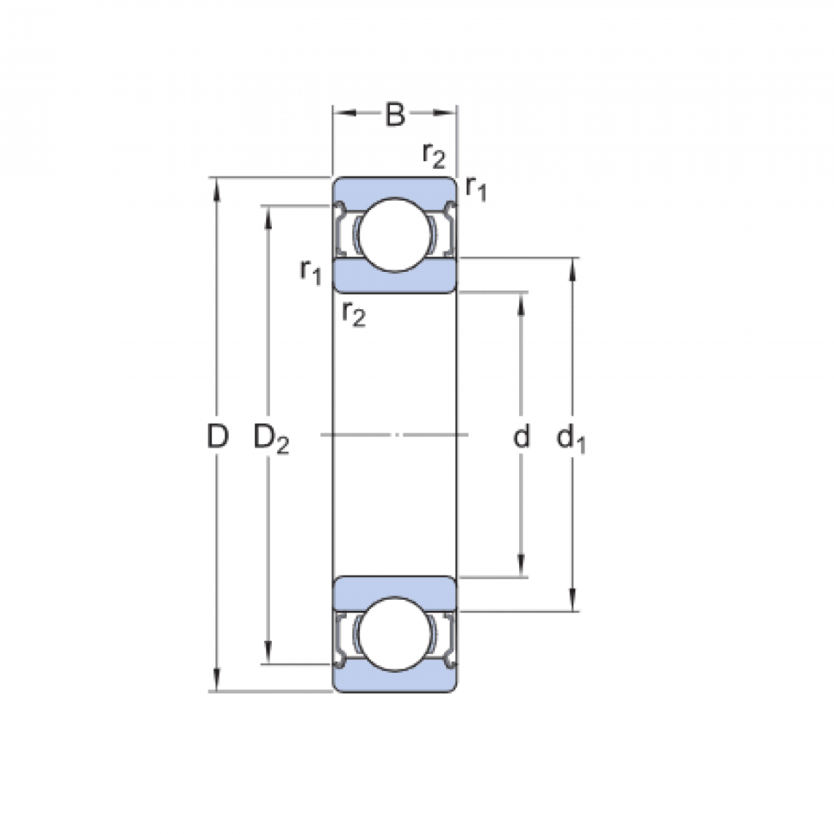
Ložisko 6317 2Z C3 - SKF

Rozmer: 85x180x41 Značka: SKF
Externý sklad na dopyt
+
-
ks