Ložisko 6317 2Z - CX

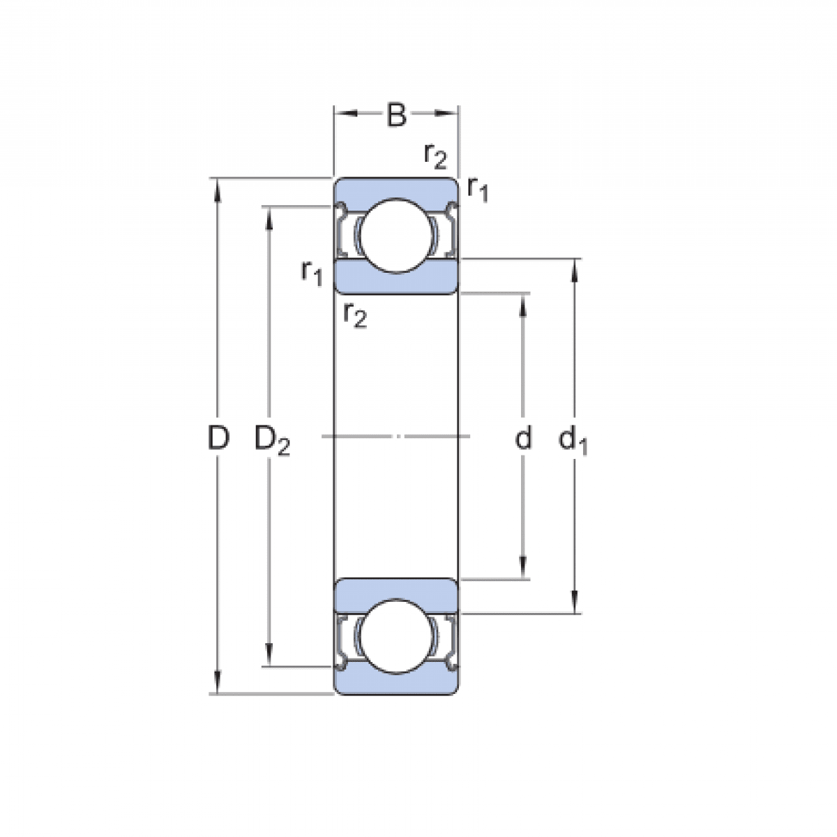
Rozmer: 85x180x41 Značka: CX
Skladom 2 ks na dopyt
+
-
ks