Ložisko 6317 C3 - FAG

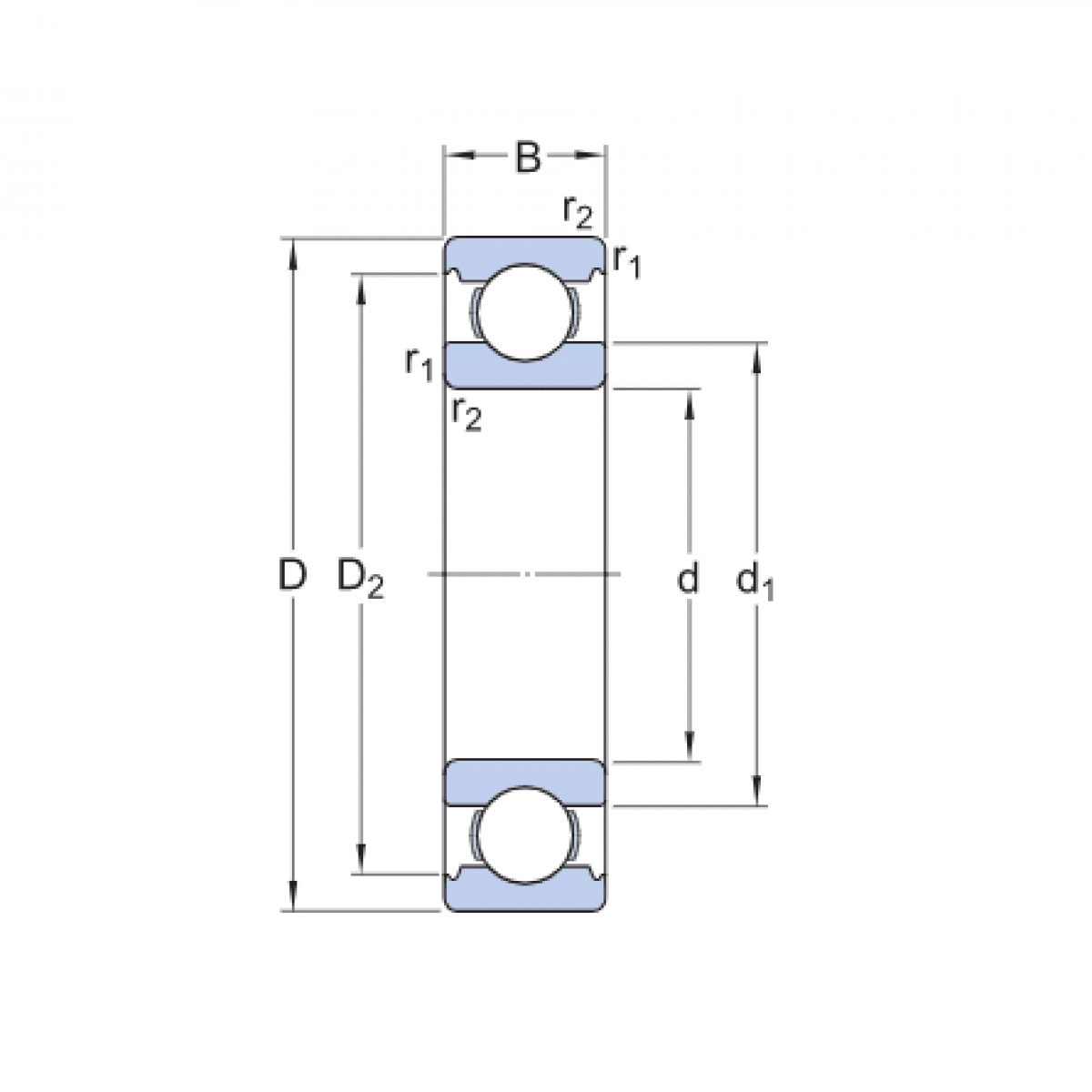
Rozmer: 85x180x41 Značka: FAG
Externý sklad na dopyt
+
-
ks