Ložisko 6317 C3 - SKF

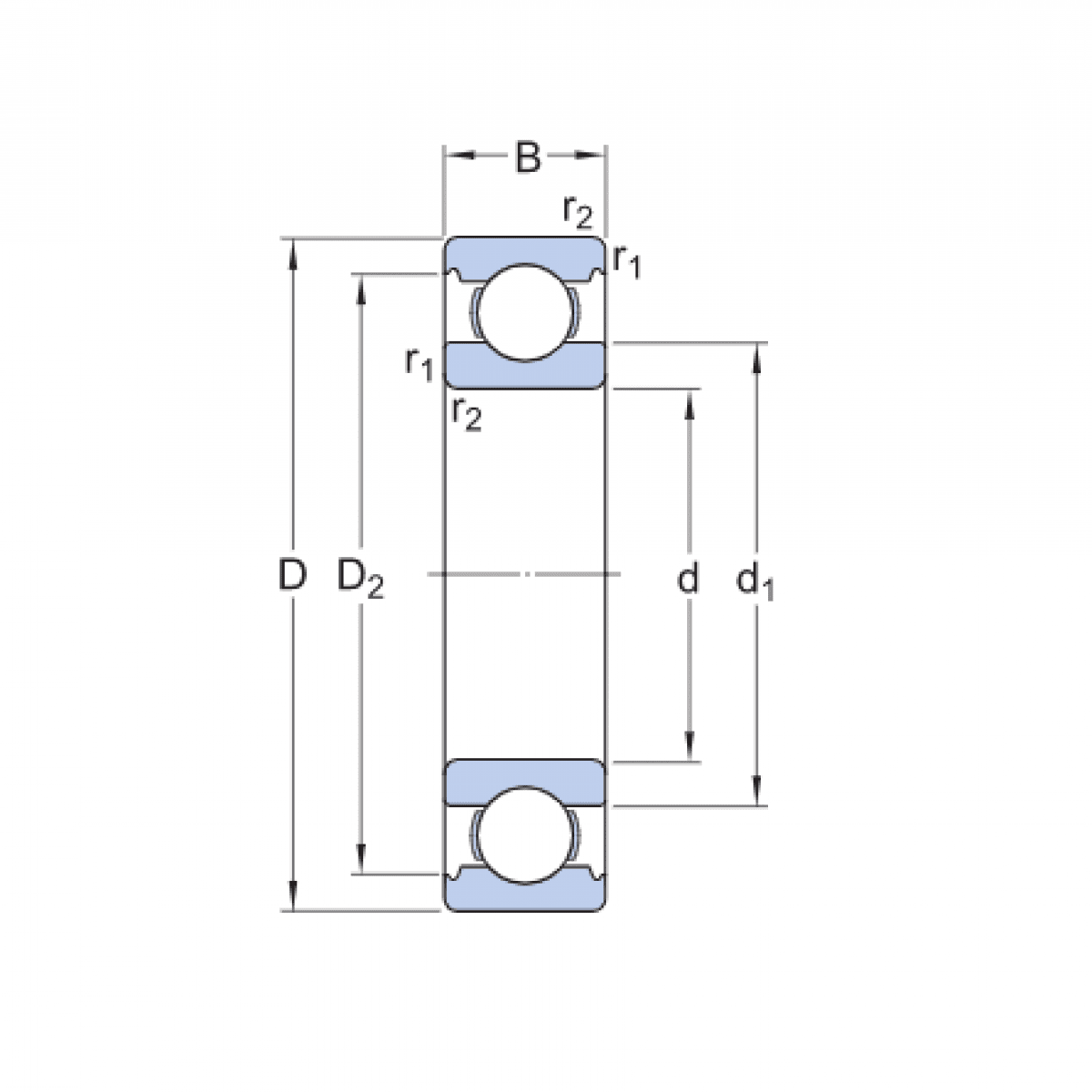
Rozmer: 85x180x41 Značka: SKF
Skladom 10 ks na dopyt
+
-
ks