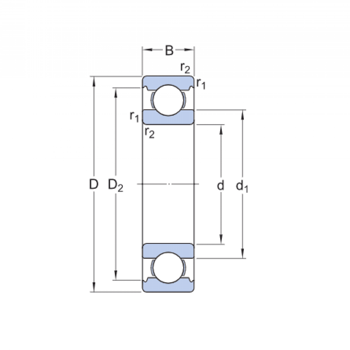
Ložisko 6317 C3 - ZKL NEW

Rozmer: 85x180x41 Značka: ZKL
Externý sklad na dopyt
+
-
ks