Ložisko 6318 2RS - MTM

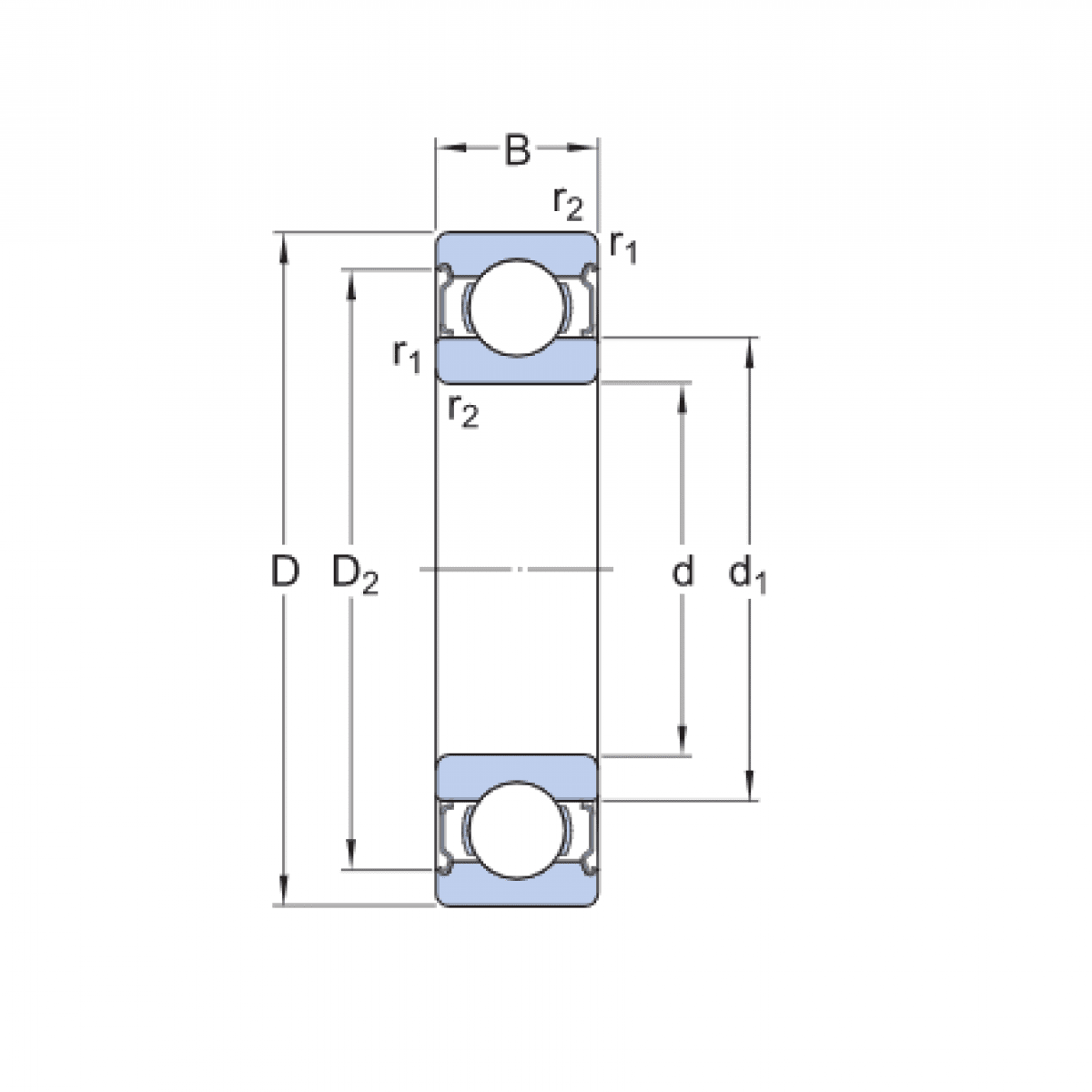
Rozmer: 90x190x43 Značka: MTM
Skladom 2 ks na dopyt
+
-
ks