Ložisko 6318 2RS - ZVL

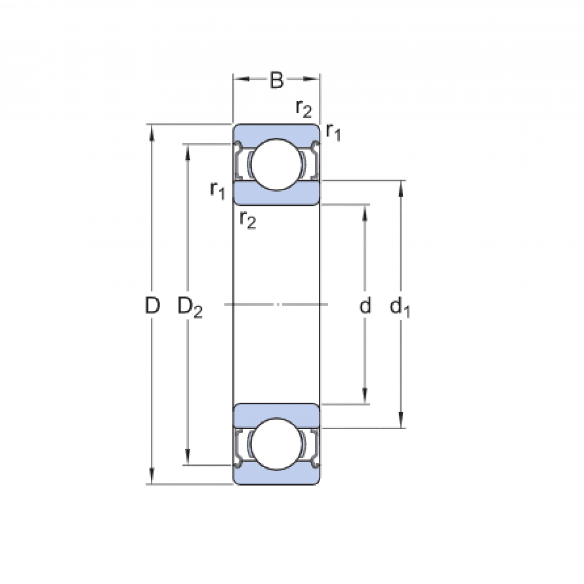
Rozmer: 90x190x43 Značka: ZVL
Skladom 1 ks na dopyt
+
-
ks