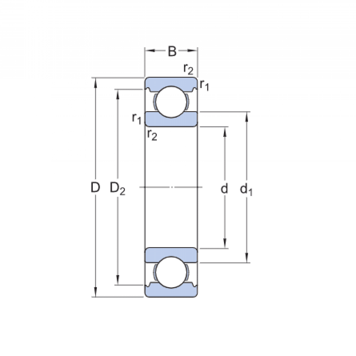
Ložisko 6318 C3 - FAG

Rozmer: 90x190x43 Značka: FAG
Externý sklad na dopyt
+
-
ks