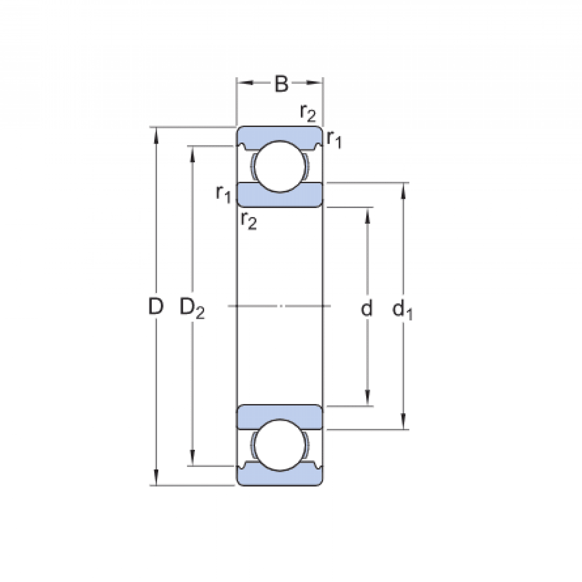
Ložisko 6318 P63 - ZKL

Rozmer: 90x190x43 Značka: ZKL
Externý sklad na dopyt
+
-
ks