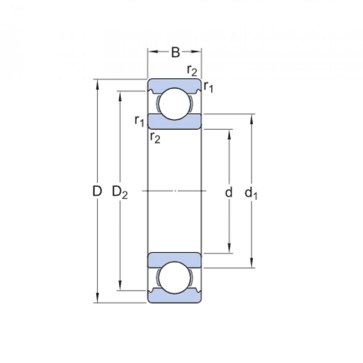
Ložisko 6319 C3 - FAG

Rozmer: 95x200x45 Značka: FAG
Externý sklad na dopyt
+
-
ks