Ložisko 6319 C3 - SKF

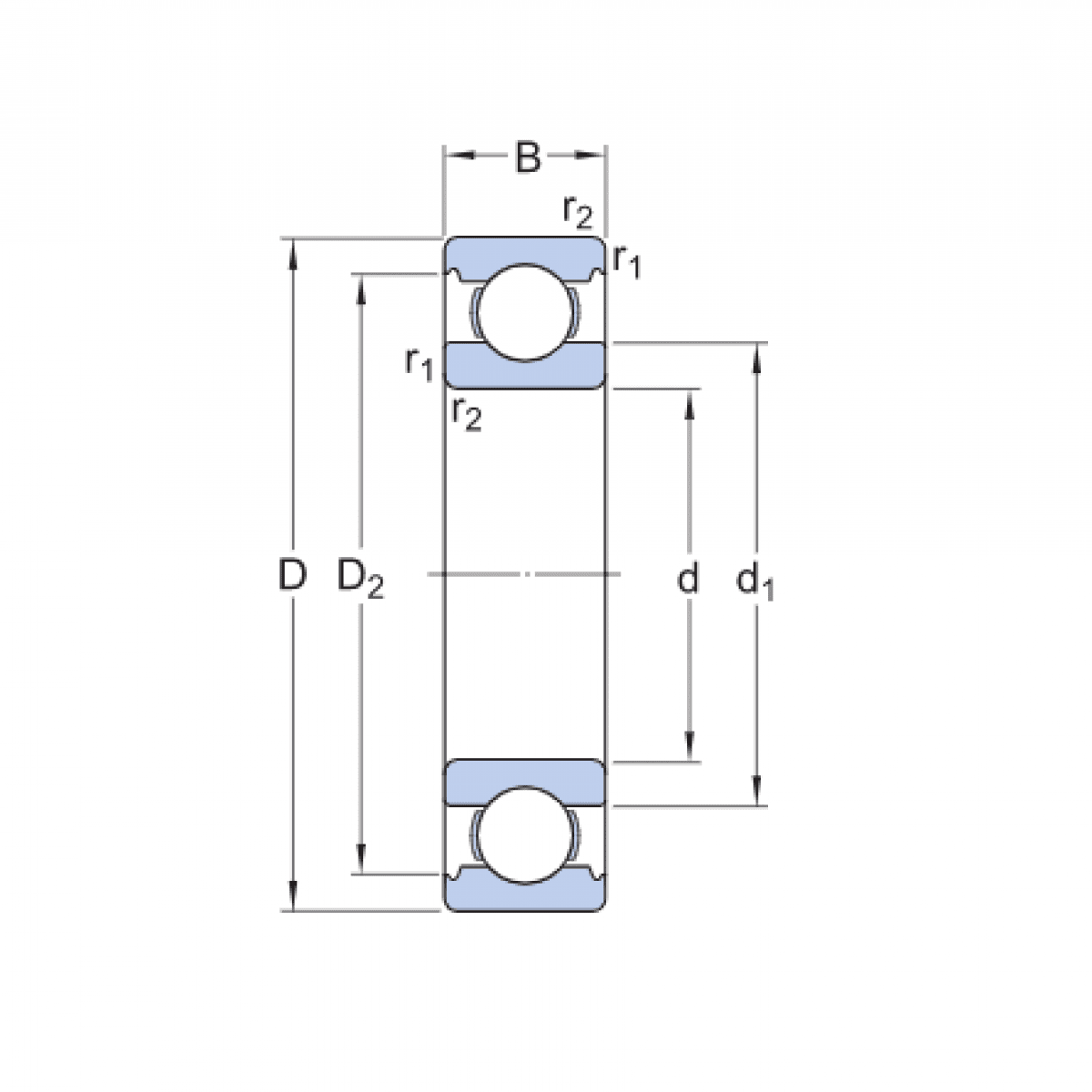
Rozmer: 95x200x45 Značka: SKF
Skladom 2 ks na dopyt
+
-
ks