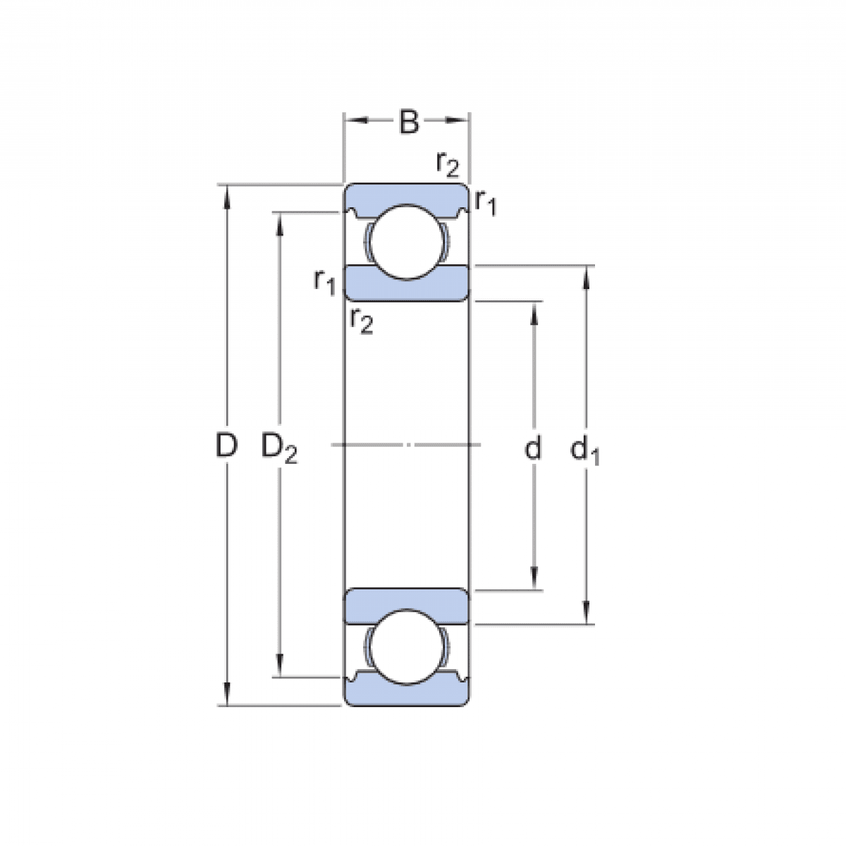
Ložisko 6319 C3 VL0241 - SKF

Rozmer: 95x200x45 Značka: SKF
Externý sklad na dopyt
+
-
ks