Ložisko 6319 C3 - ZWZ

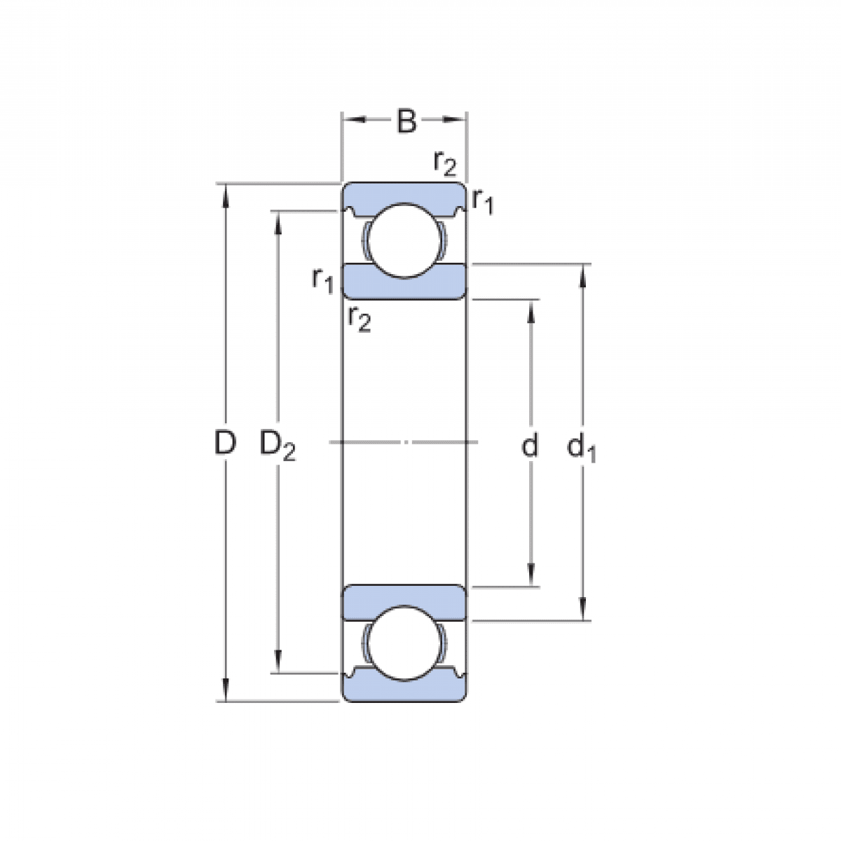
Rozmer: 95x200x45 Značka: ZWZ
Skladom 2 ks na dopyt
+
-
ks