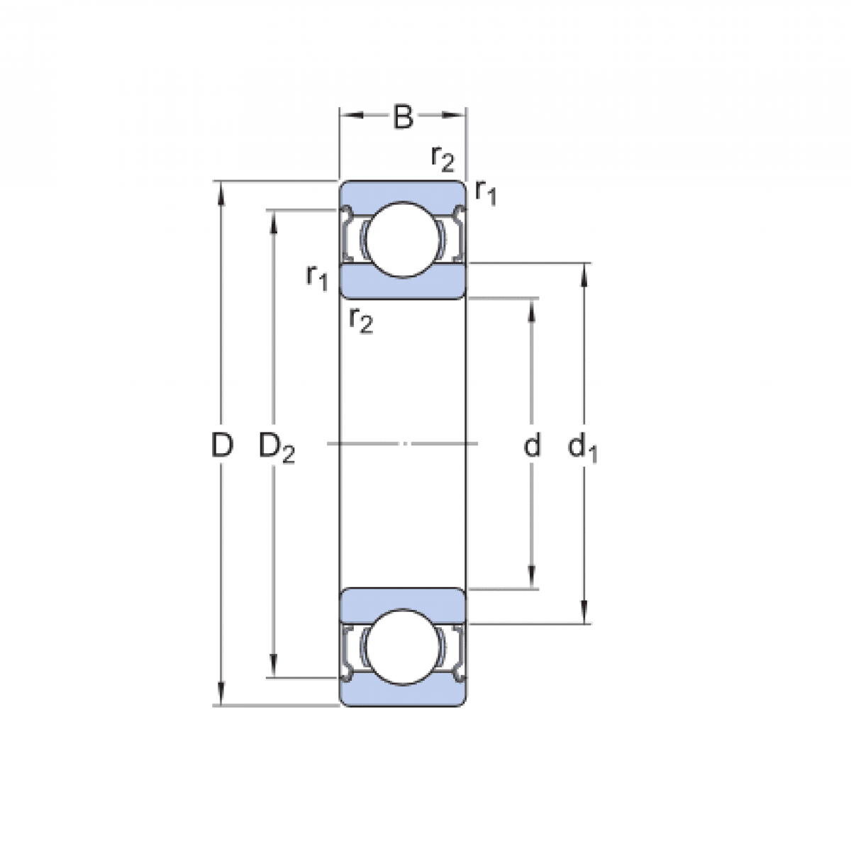
Ložisko 6320 2RS - ZKL NEW

Rozmer: 100x215x47 Značka: ZKL
Skladom 2 ks na dopyt
+
-
ks