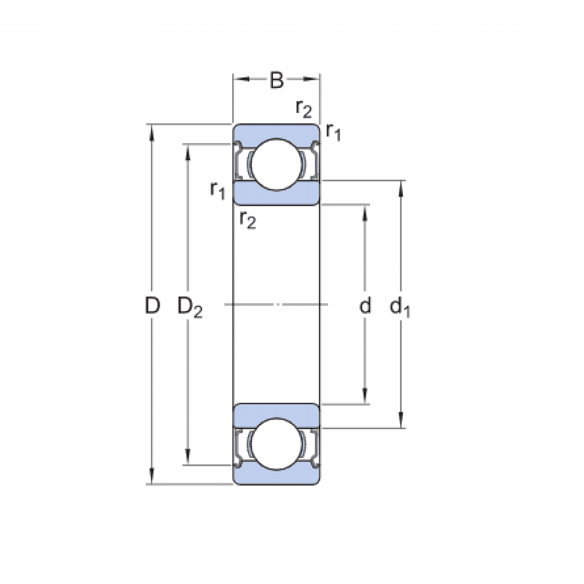
Ložisko 6320 2Z - CX

Rozmer: 100x215x47 Značka: CX
Skladom 1 ks na dopyt
+
-
ks