Ložisko 6320 2Z - ZKL NEW

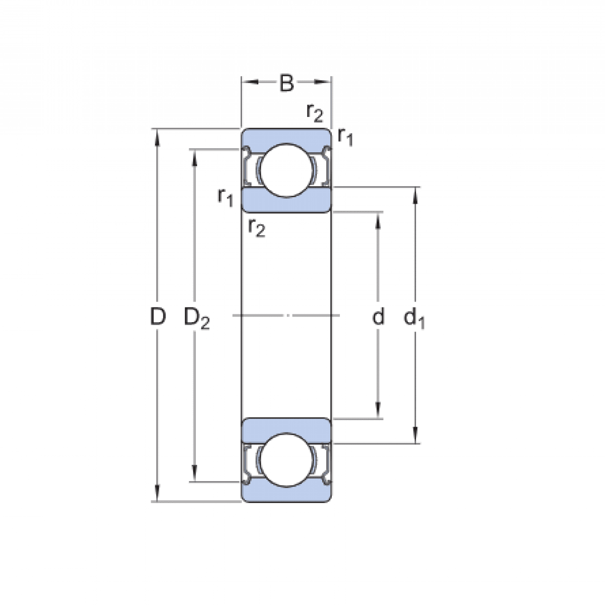
Rozmer: 100x215x47 Značka: ZKL
Skladom 6 ks na dopyt
+
-
ks