Ložisko 6320 C3 - FAG

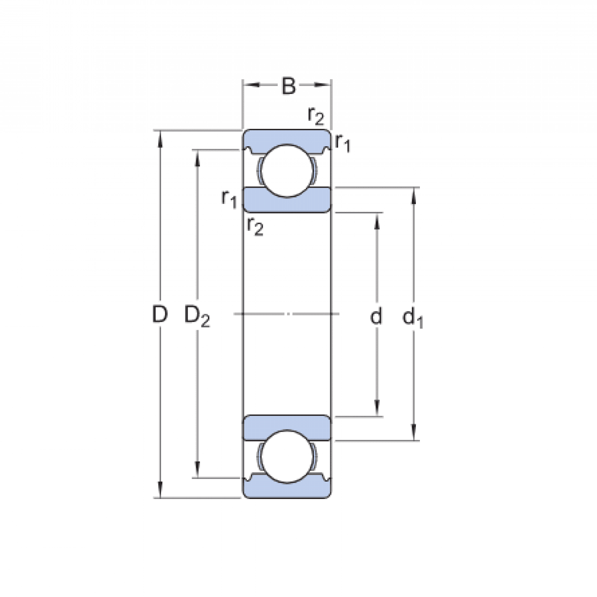
Rozmer: 100x215x47 Značka: FAG
Externý sklad na dopyt
+
-
ks