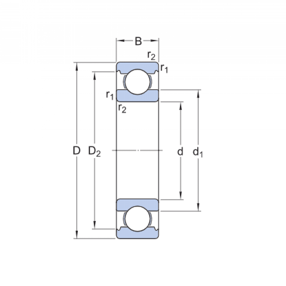
Ložisko 6320 C3 - SKF

Rozmer: 100x215x47 Značka: SKF
Externý sklad na dopyt
+
-
ks