Ložisko 6320 C3 - ZKL NEW

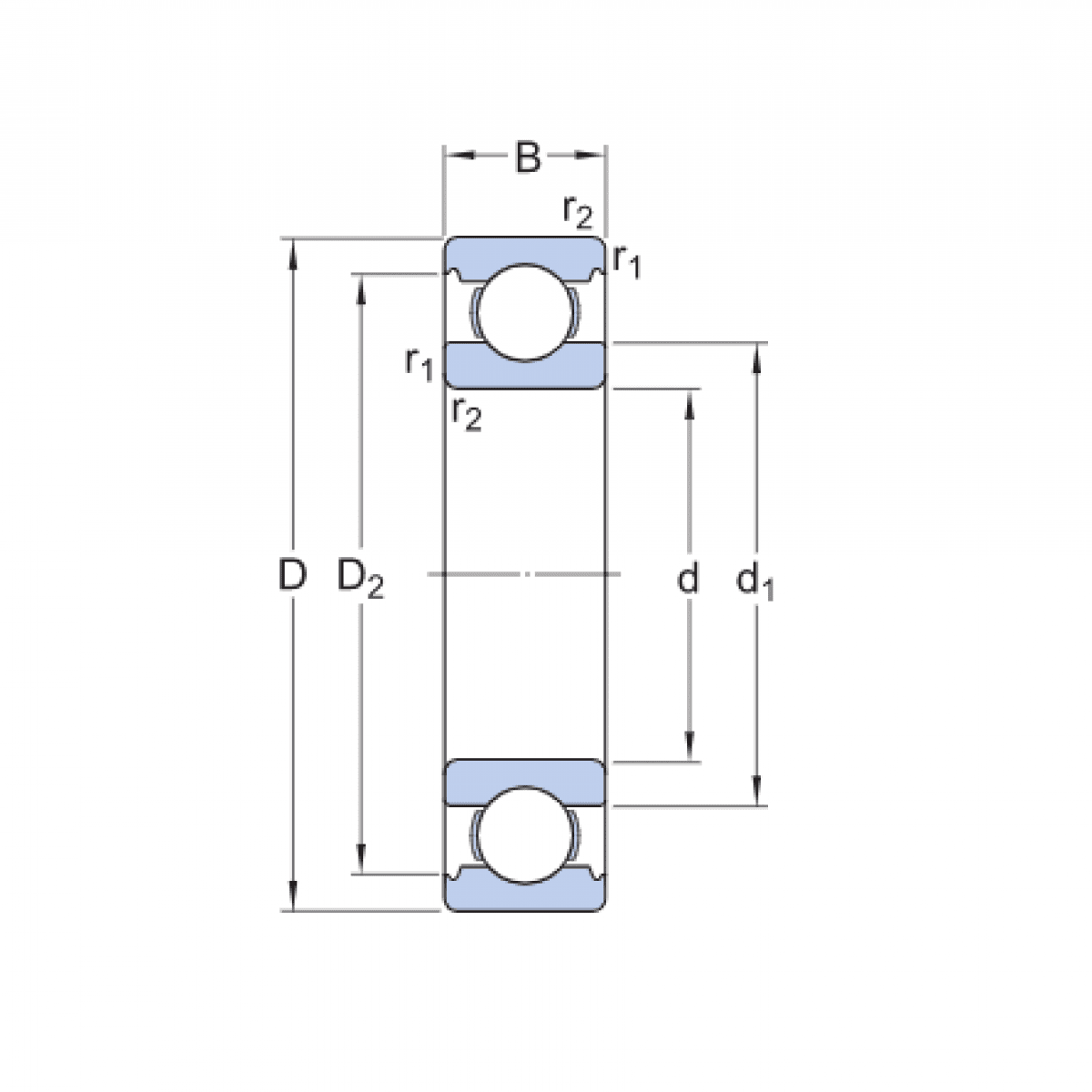
Rozmer: 100x215x47 Značka: ZKL
Skladom 4 ks na dopyt
+
-
ks