Ložisko 6320 M C3 - FAG

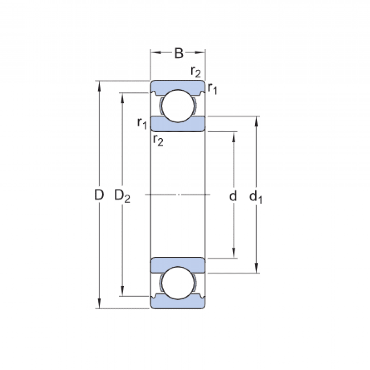
Rozmer: 100x215x47 Značka: FAG
Skladom 7 ks na dopyt
+
-
ks