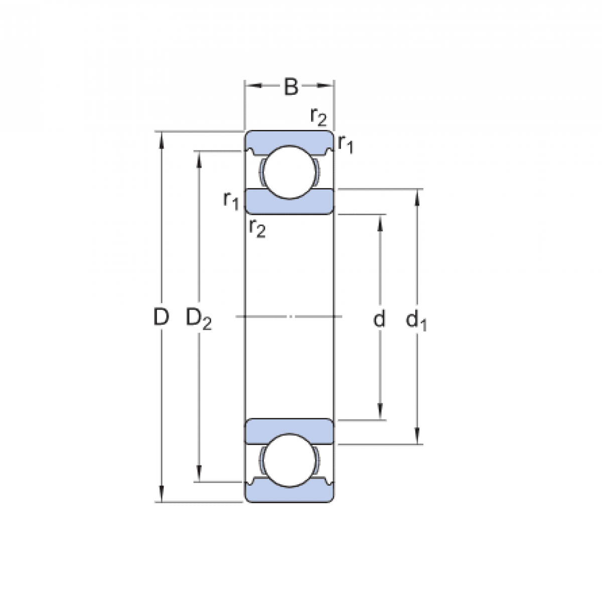
Ložisko 6321 C18 - NTN

Rozmer: 105x225x49 Značka: NTN
Externý sklad na dopyt
+
-
ks