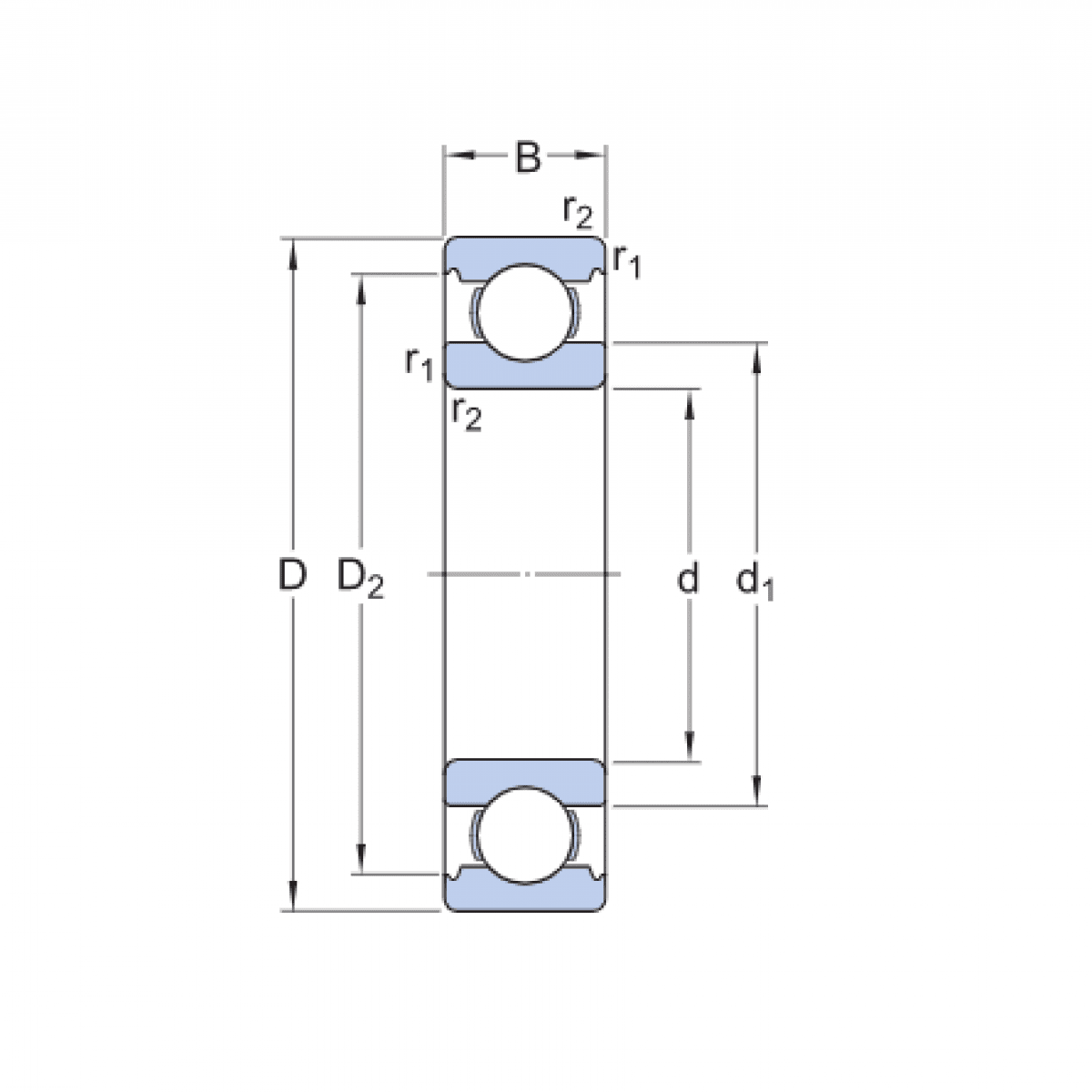
Ložisko 6321 C3 - ZKL NEW

Rozmer: 105x225x49 Značka: ZKL
Externý sklad na dopyt
+
-
ks