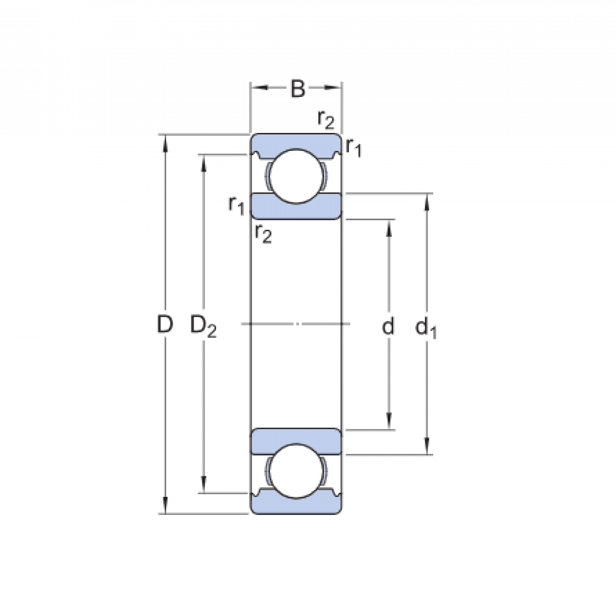
Ložisko 6321 M C3 - FAG

Rozmer: 105x225x49 Značka: FAG
Externý sklad na dopyt
+
-
ks