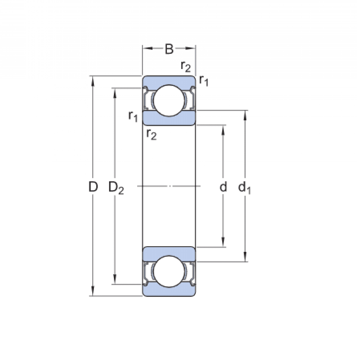
Ložisko 63/22 2RS - KBS

Rozmer: 22x56x16 Značka: KBS, KBC
Externý sklad na dopyt
+
-
ks