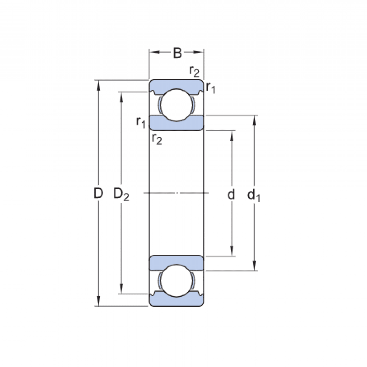
Ložisko 6322 C3 - SKF

Rozmer: 110x240x50 Značka: SKF
Externý sklad na dopyt
+
-
ks