Ložisko 6322 MJ20AA C3 - FAG

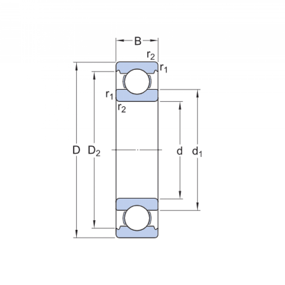
Rozmer: 110x240x50 Značka: SKF
Externý sklad na dopyt
+
-
ks