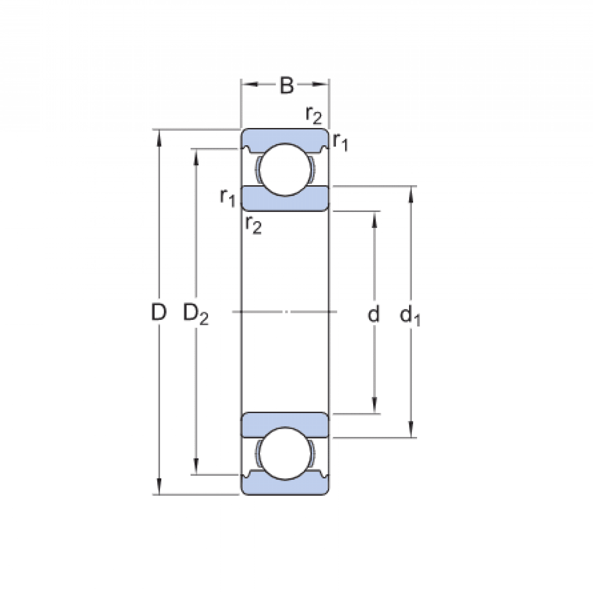
Ložisko 63/22 SH2-9T C4 - KOYO

Rozmer: 22x56x16 Značka: KOYO-TORRINGTON
Externý sklad na dopyt
+
-
ks