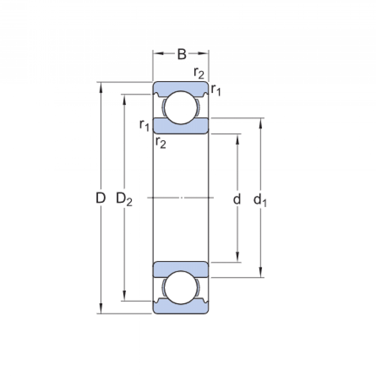
Ložisko 6324 C3 - DKF

Rozmer: 120x260x55 Značka: DKF
Externý sklad na dopyt
+
-
ks