Ložisko 6326 C3 - FAG

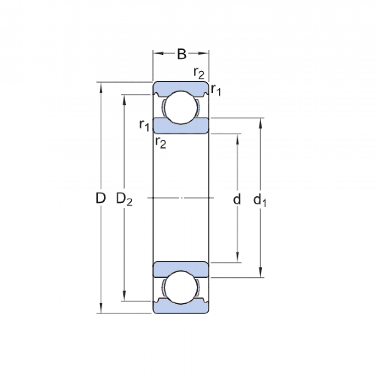
Rozmer: 130x280x58 Značka: FAG
Skladom 1 ks na dopyt
+
-
ks