Ložisko 6326 C3 - ZKL NEW

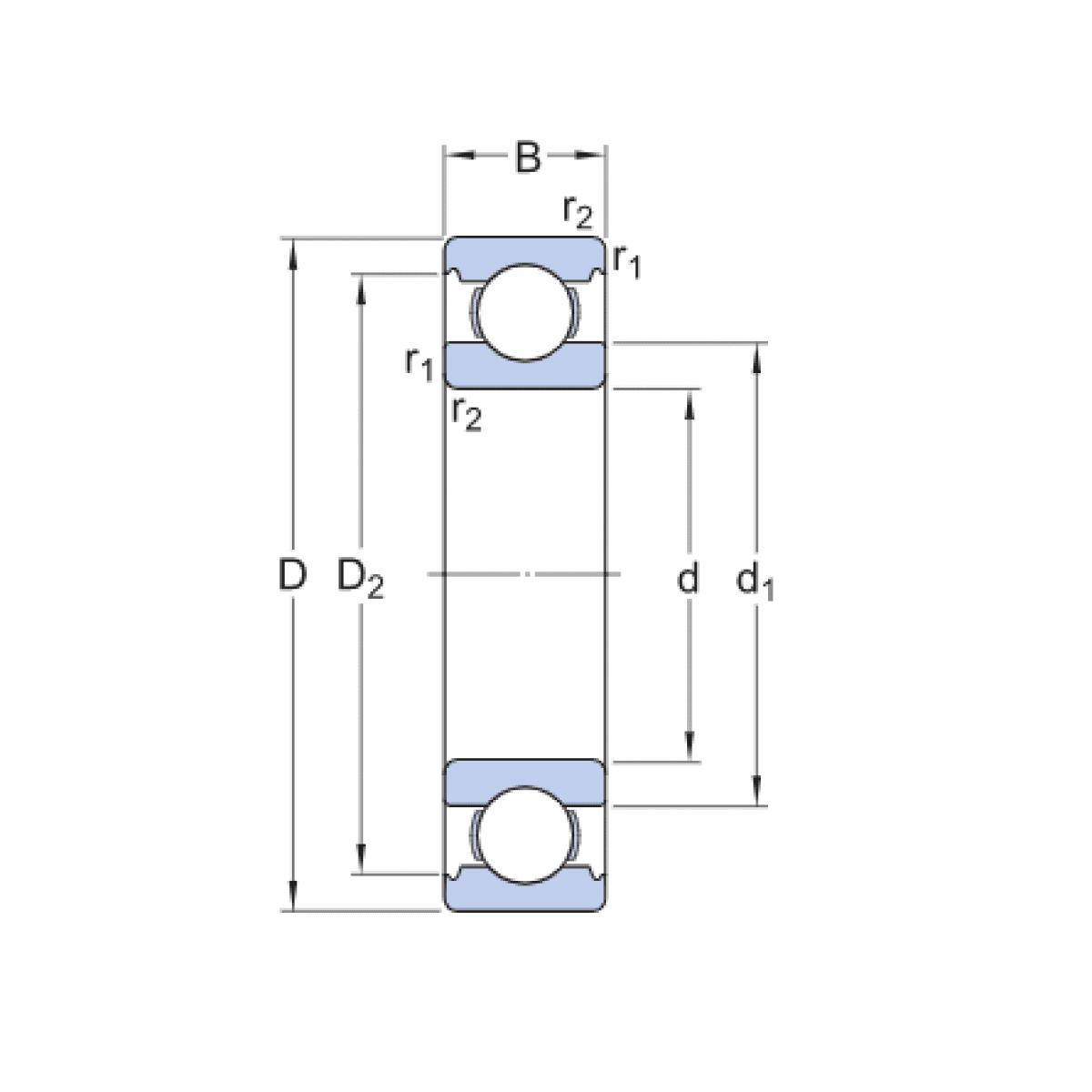
Rozmer: 130x280x58 Značka: ZKL
Skladom 2 ks na dopyt
+
-
ks