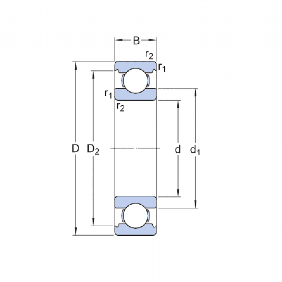
Ložisko 6326 M C3 - FAG

Rozmer: 130x280x58 Značka: FAG
Externý sklad na dopyt
+
-
ks