Ložisko 63/28 2RS - MTM

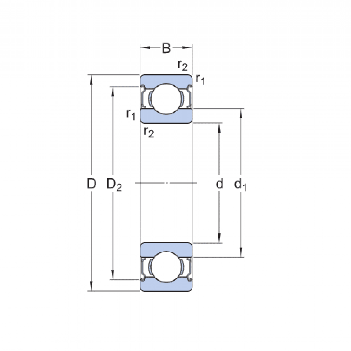
Rozmer: 28x68x18 Značka: MTM
Skladom 4 ks na dopyt
+
-
ks