Ložisko 6328 C3 - ZKL NEW

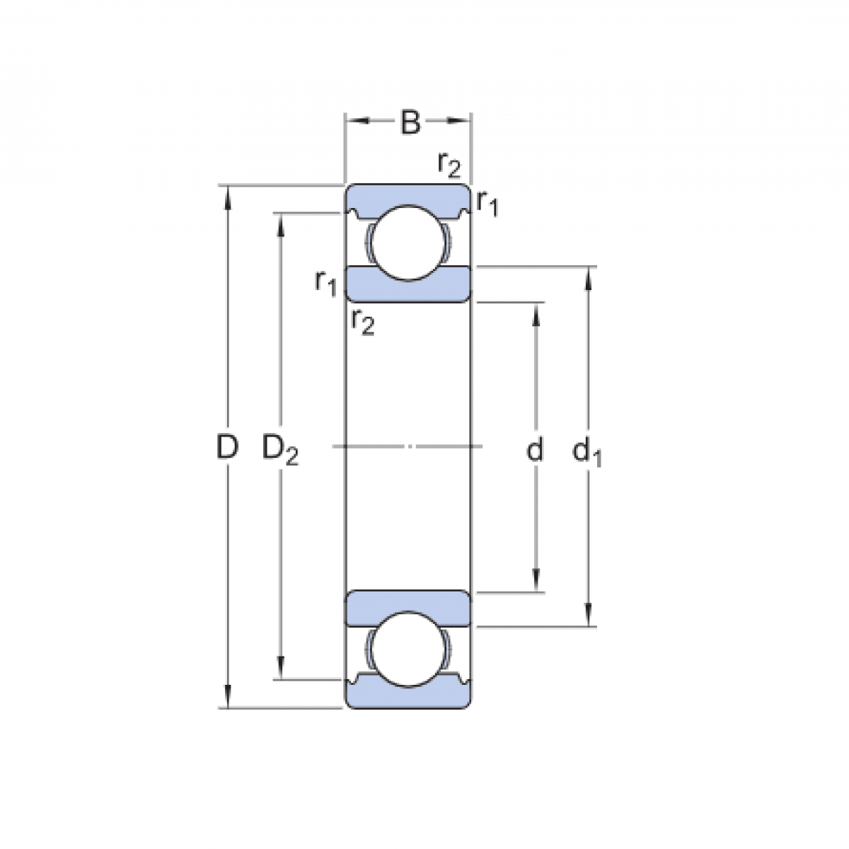
Rozmer: 140x300x62 Značka: ZKL
Skladom 2 ks na dopyt
+
-
ks