Ložisko 6328 MC3 - ZKL NEW

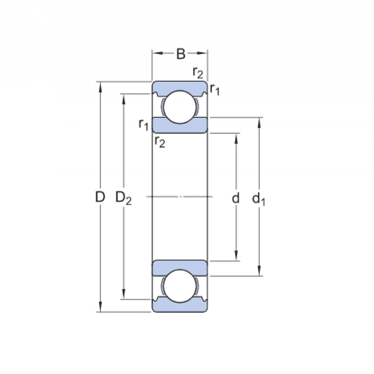
Rozmer: 140x300x62 Značka: ZKL
Skladom 1 ks na dopyt
+
-
ks