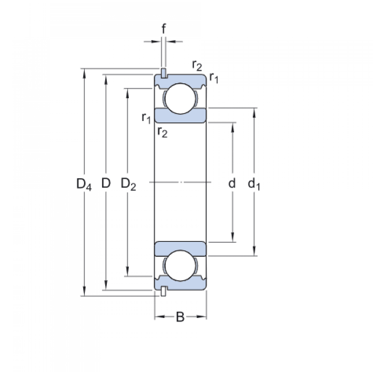
Ložisko 63/28 NR C3 - KOYO

Rozmer: 28x68x18 Značka: KOYO-TORRINGTON
Externý sklad na dopyt
+
-
ks