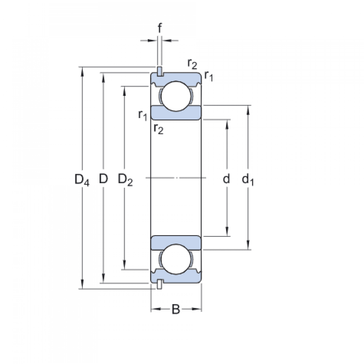
Ložisko 63/28 NR - KOYO

Rozmer: 28x68x18 Značka: KOYO-TORRINGTON
Skladom 2 ks na dopyt
+
-
ks