Ložisko 63/32 2RS - KBS

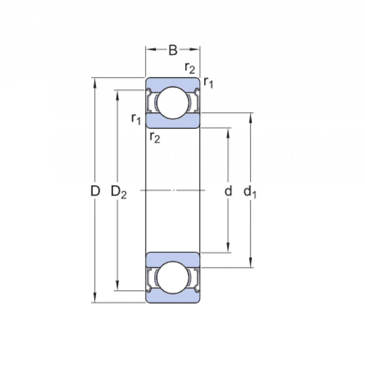
Rozmer: 32x75x20 Značka: KBS, KBC
Externý sklad na dopyt
+
-
ks