Ložisko 63/32 2RS NR - KOYO

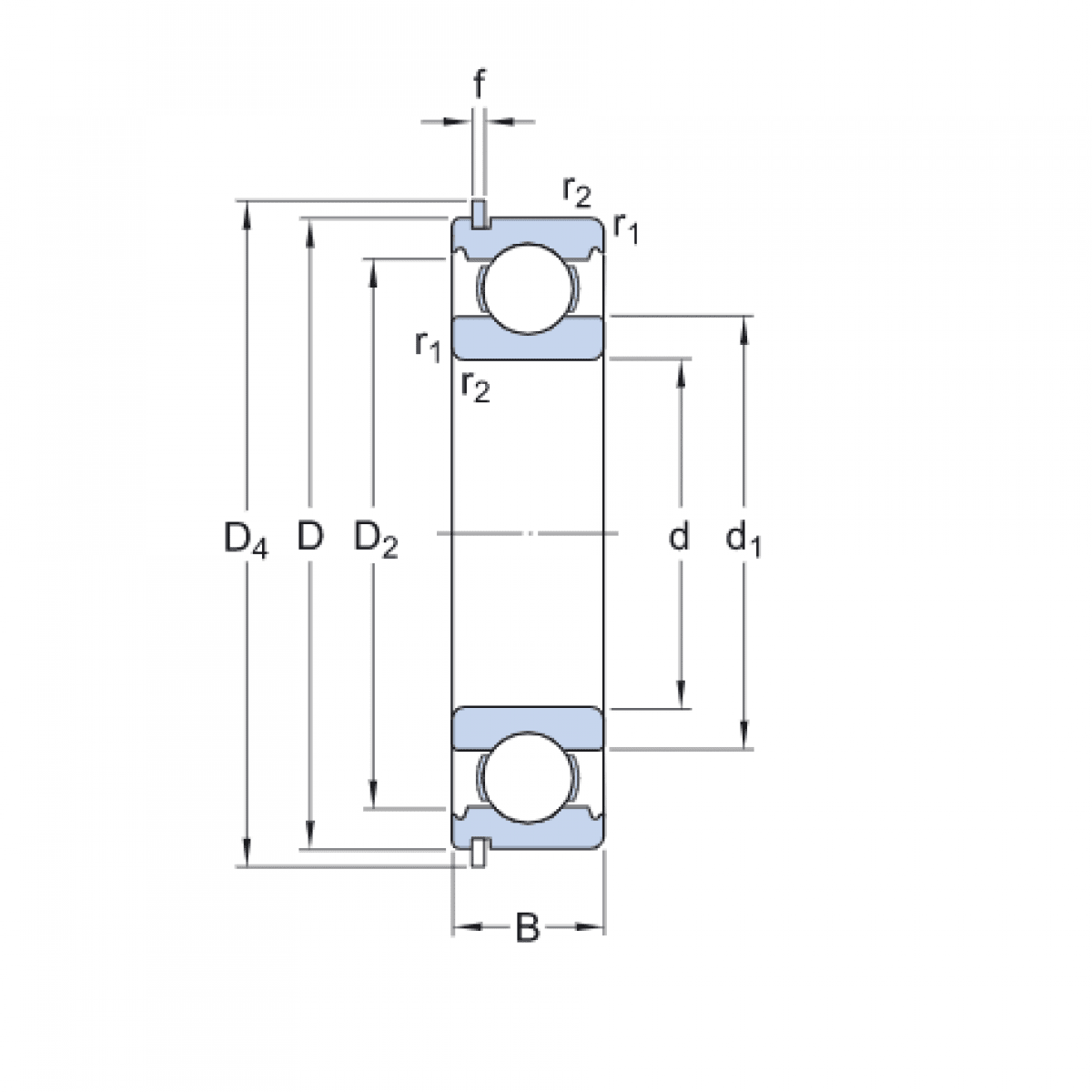
Rozmer: 32x75x20 Značka: KOYO-TORRINGTON
Externý sklad na dopyt
+
-
ks