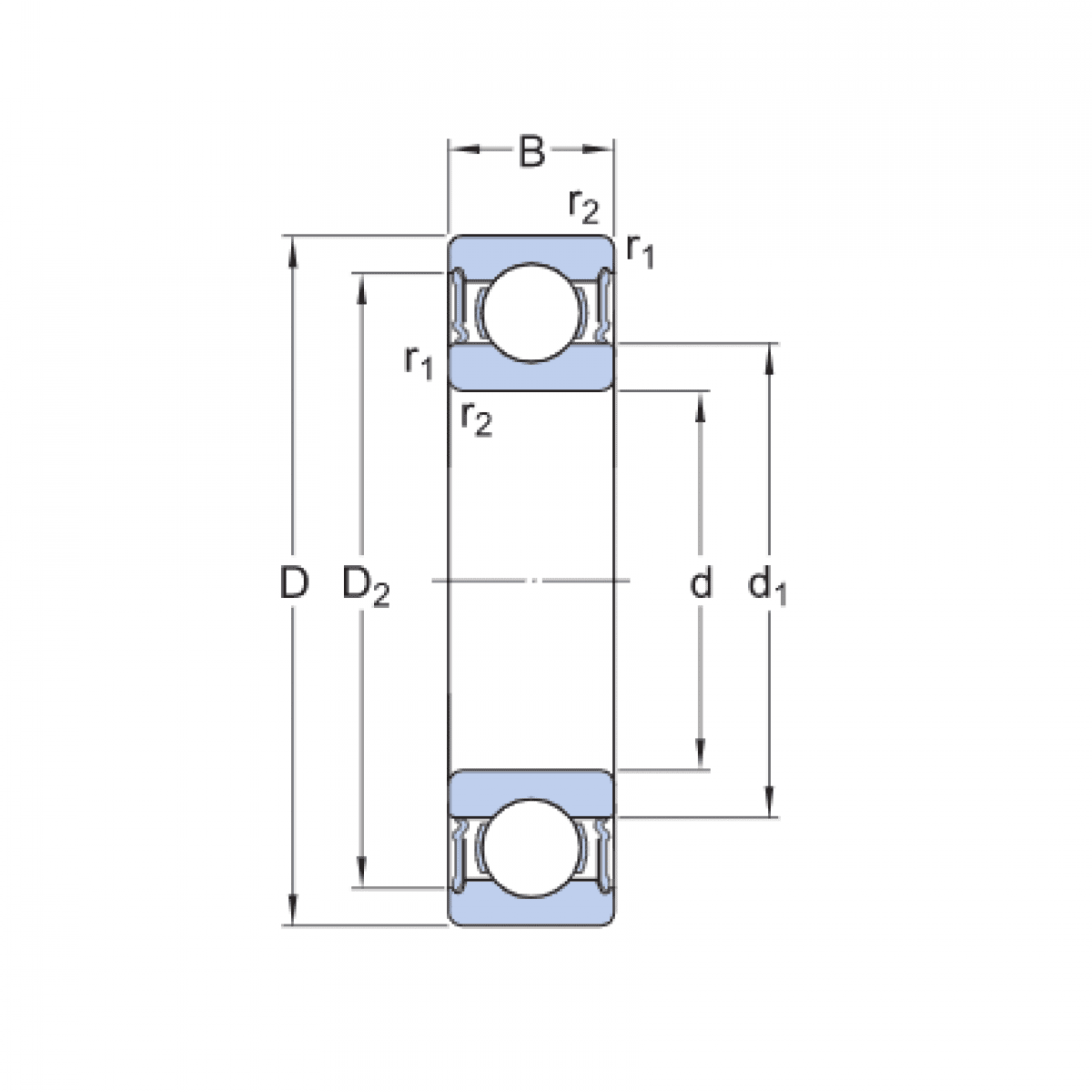
Ložisko 63800 2RS - EZO

Rozmer: 10x19x7 Značka: EZO
Externý sklad na dopyt
+
-
ks