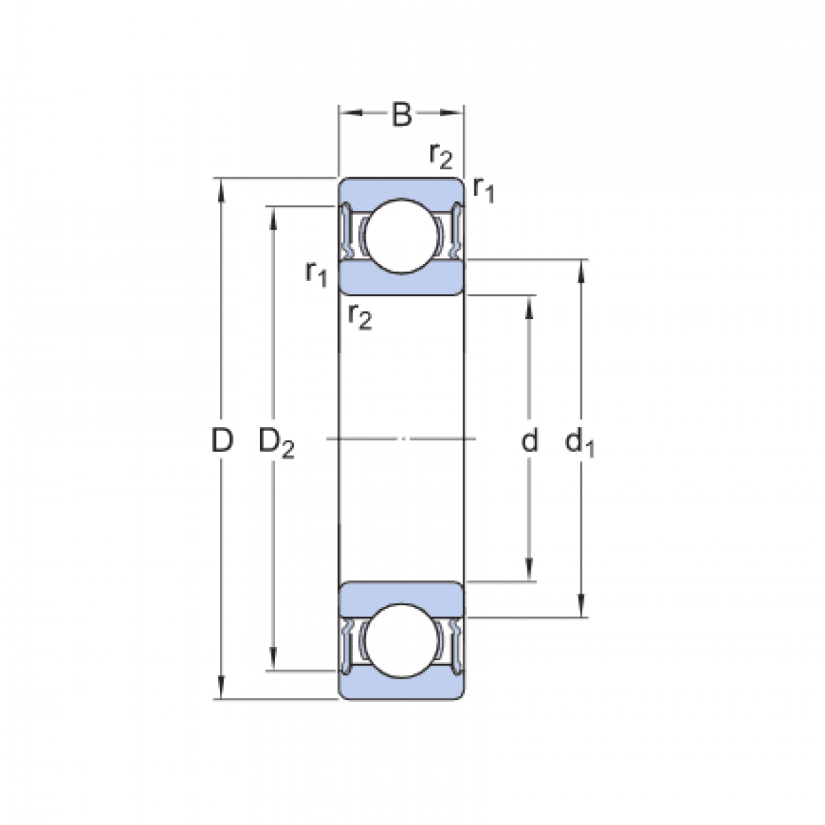
Ložisko 63801 2Z - EZO

Rozmer: 12x21x7 Značka: EZO
Externý sklad na dopyt
+
-
ks