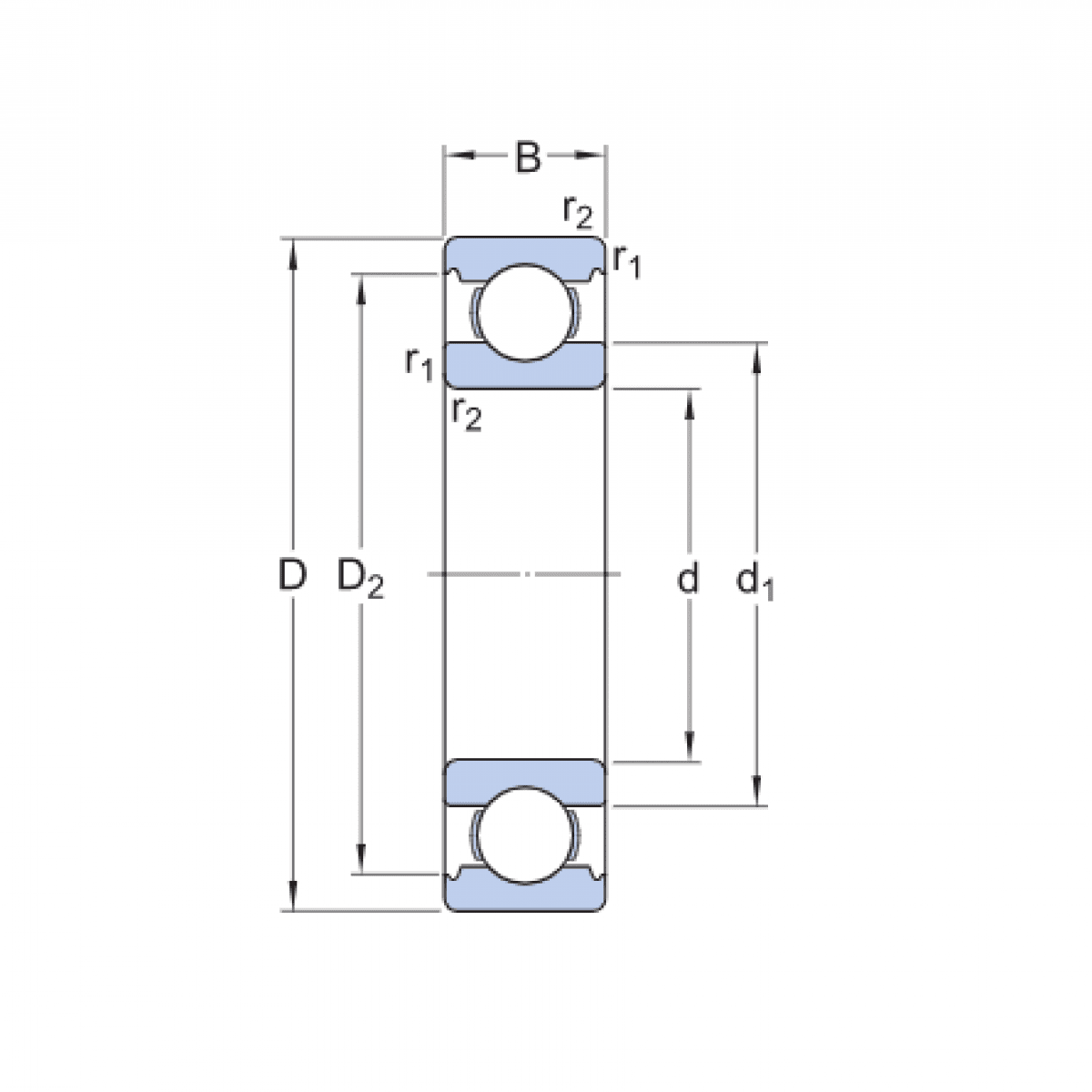
Ložisko 6403 - KBS

Rozmer: 17x62x17 Značka: KBS, KBC
Externý sklad na dopyt
+
-
ks