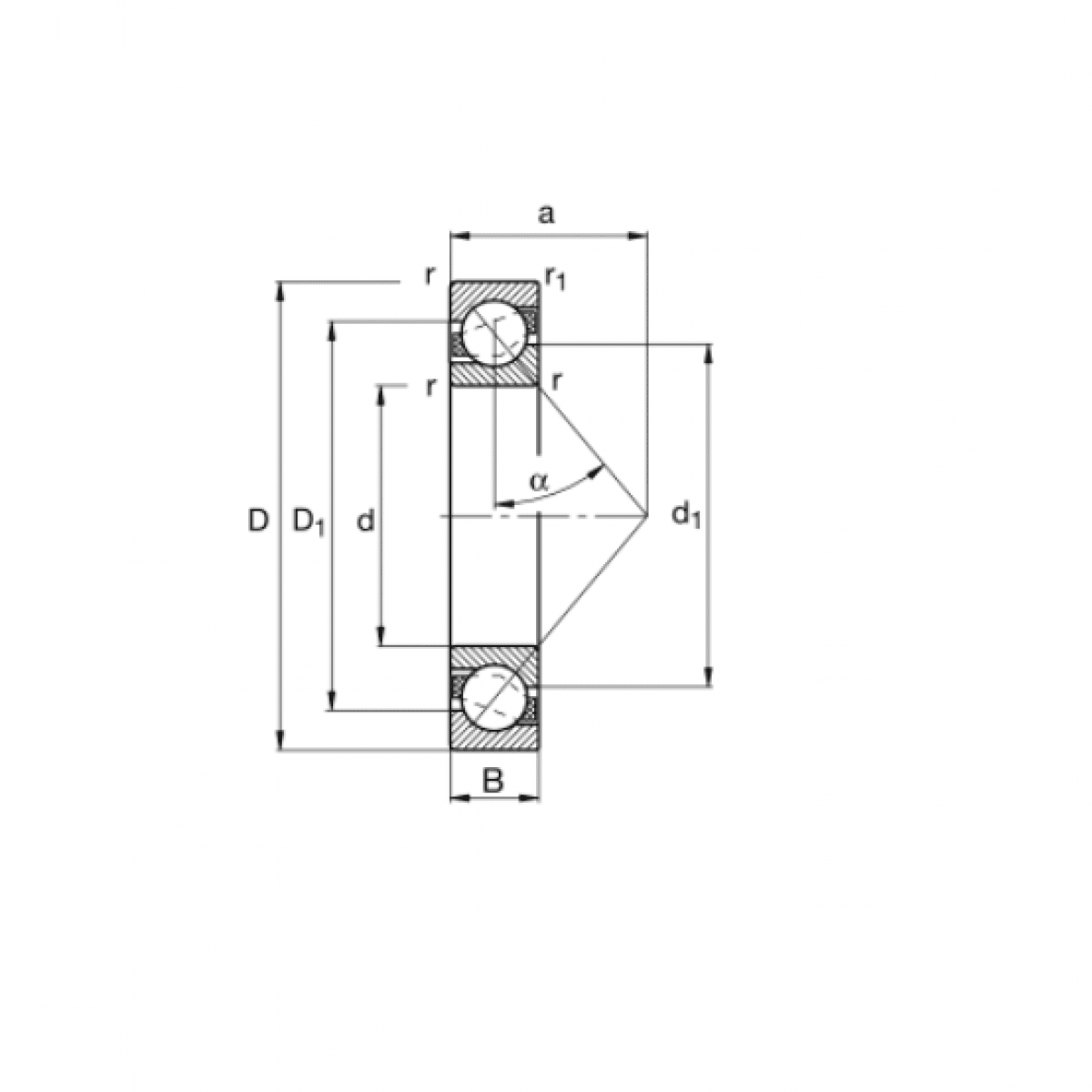
Ložisko 7005 B - KBS

Rozmer: 25x47x12 Značka: KBS, KBC
Skladom 4 ks na dopyt
+
-
ks