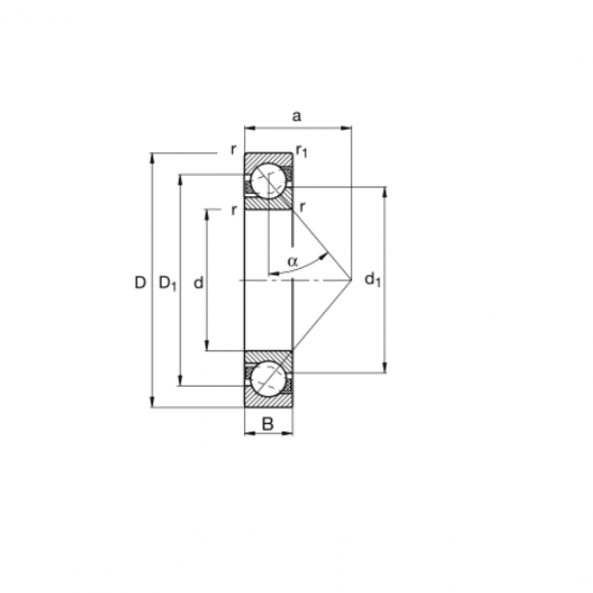
Ložisko 7006 C - KBS

Rozmer: 30x55x13 Značka: KBS, KBC
Skladom 2 ks na dopyt
+
-
ks