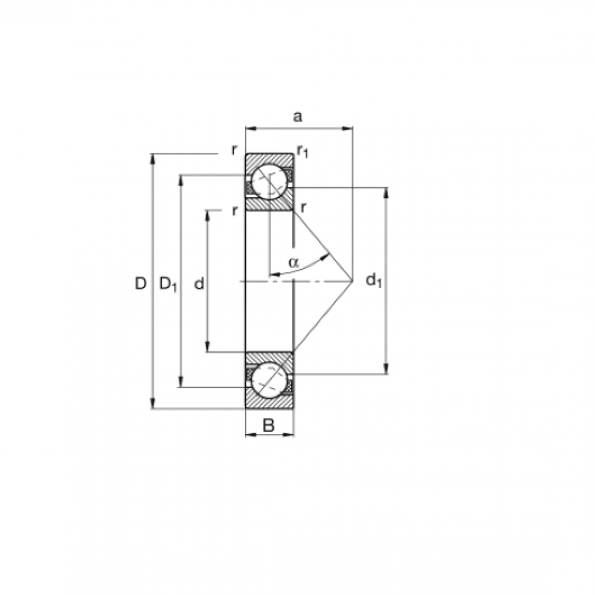
Ložisko 7011B - KBS

Rozmer: 55x90x18 Značka: KBS, KBC
Externý sklad na dopyt
+
-
ks