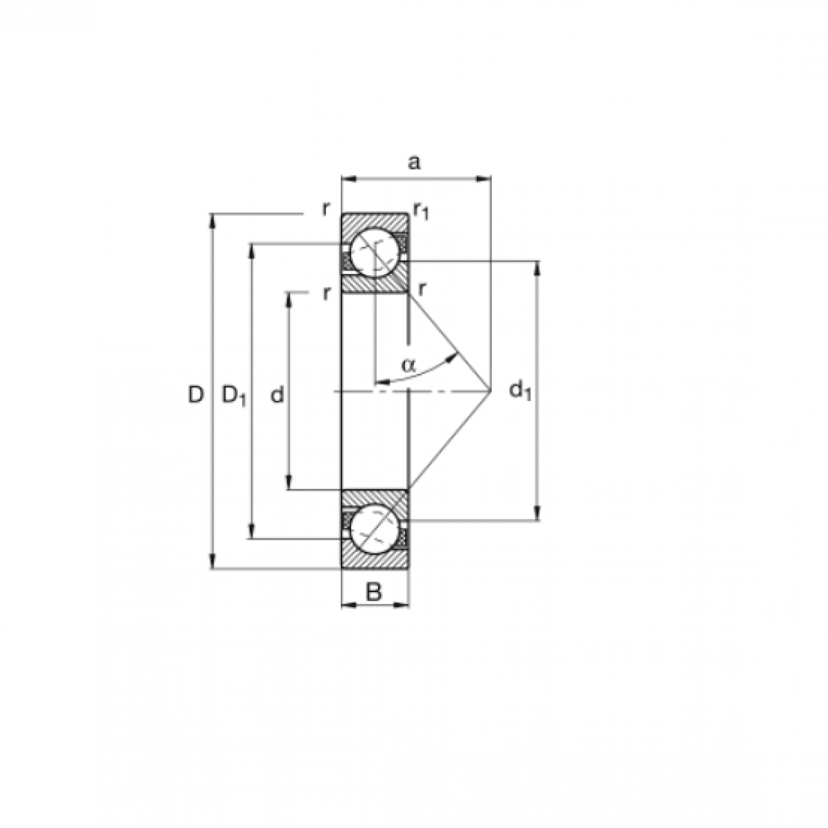
Ložisko 7202 AA - ZVL

Rozmer: 15x35x11 Značka: ZVL
Skladom 4 ks na dopyt
+
-
ks