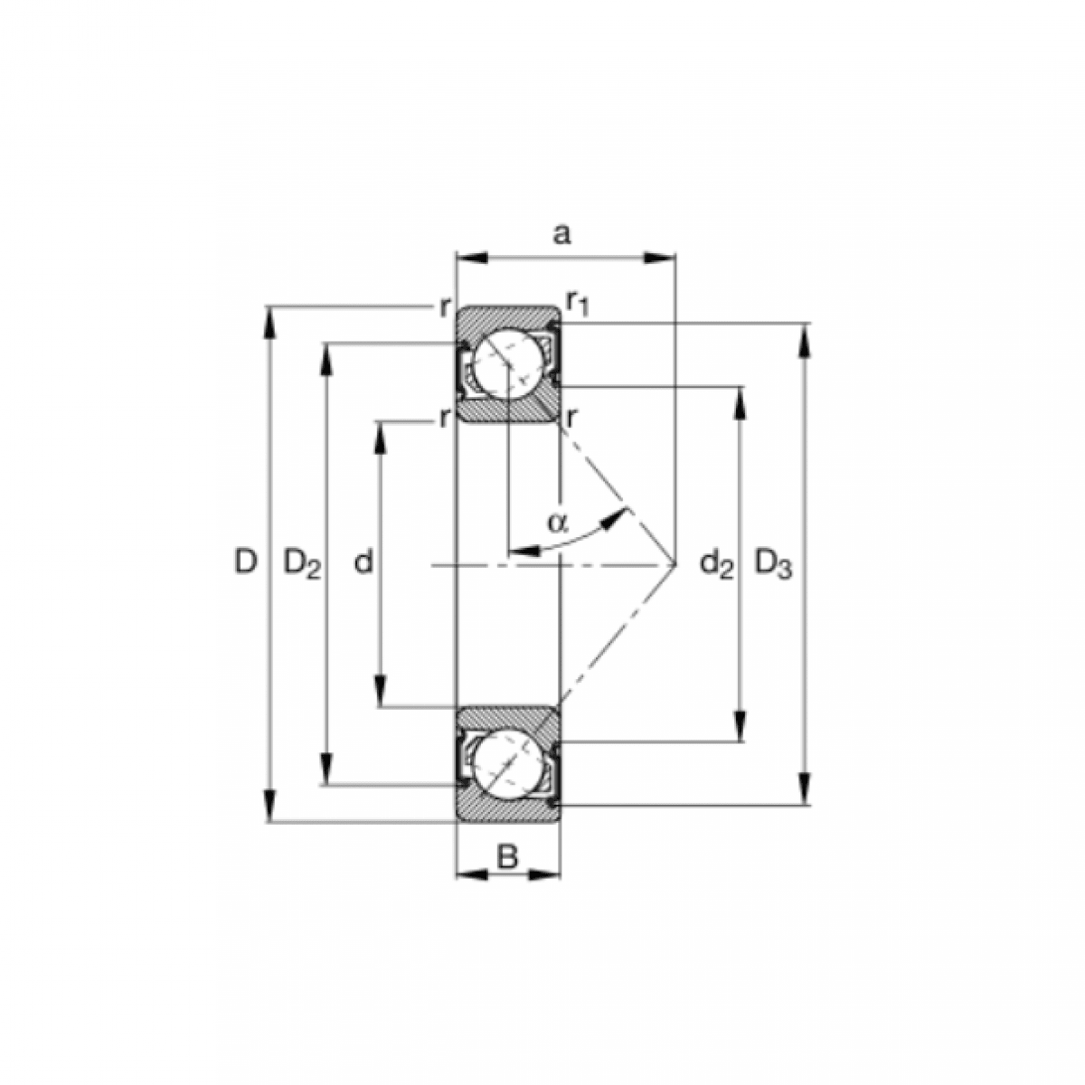
Ložisko 7202 B 2RS - CX

Rozmer: 15x35x11 Značka: CX
Externý sklad na dopyt
+
-
ks