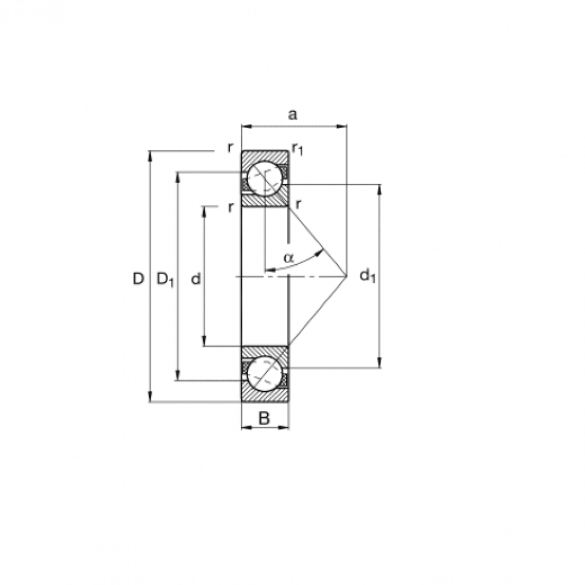
Ložisko 7202 B - MTM

Rozmer: 15x35x11 Značka: MTM
Externý sklad na dopyt
+
-
ks